







晶體管光耦概述
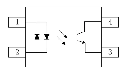
輸出端為光敏晶體管直接輸出的光電耦合器稱為晶體管光耦。晶體管光耦輸出端一般常用的晶體管有:光電二極管、光敏三極管、光敏型達林頓管。 光電二極管線性特性好;光敏三極管有線性特性,在一定范圍內具有電流放大能力;光敏型達林頓管具有更高的放大倍數,可以在小電流輸入狀態下,驅動更大的輸出電流。群芯微的晶體管光耦通常在電源電路中做電壓反饋,在控制電路中做信號檢測、信號控制等功能,也可同步替代東芝,光寶,億光等相應型號。 晶體管光耦的輸出端為光敏三極管。光電二極管和光敏三極管都具有線性特性,在一定范圍內具有電流放大能力, 晶體管光耦通常在電源電路中做電壓反饋,在控制電路中做信號檢測、信號控制等功能。晶體管光耦可分為直流輸入型光耦和交流輸入型光耦。晶體管光耦內部框架

晶體管光耦典型應用電路

晶體管光耦典型封裝

晶體管光耦系列產品參數列表
| Type | INPUT TYPE | Vce | Viso | SSOP-4 | SOP-4 | LSOP-4 | DIP-4 DIP-4M SMD-4 | DIP-6 SMD-6 | DIP-8 SMD-8 | WDIP-8 WSMD-8 | SSOP-16 |
| 晶體管光耦 Photo transistor | AC | General (80V) | 3750V | QX3H4 | QX354 | QX3H44 | |||||
| 5000V | QX814 | ||||||||||
| DC | General (5V) | 5000V | QX8016 | ||||||||
| General (30~80v) | 3750V | QX3H7 QX8801 | QX357 QX358 QX8801 | QX3H74 | |||||||
| 5000V | QX8801 QX101x | QX8801 QX817 QX816 QX818 | QX4Nxx (25,35) | QX826 QX827 | QXN200 QXN201 QXN826 QXN827 | ||||||
| High Voltage (300~350V) | 5000V | QX451 | QX851 |


晶體管光耦概述
輸出端為光敏晶體管直接輸出的光電耦合器稱為晶體管光耦。晶體管光耦輸出端一般常用的晶體管有:光電二極管、光敏三極管、光敏型達林頓管。 光電二極管線性特性好;光敏三極管有線性特性,在一定范圍內具有電流放大能力;光敏型達林頓管具有更高的放大倍數,可以在小電流輸入狀態下,驅動更大的輸出電流。群芯微的晶體管光耦通常在電源電路中做電壓反饋,在控制電路中做信號檢測、信號控制等功能,也可同步替代東芝,光寶,億光等相應型號。 晶體管光耦的輸出端為光敏三極管。光電二極管和光敏三極管都具有線性特性,在一定范圍內具有電流放大能力, 晶體管光耦通常在電源電路中做電壓反饋,在控制電路中做信號檢測、信號控制等功能。晶體管光耦可分為直流輸入型光耦和交流輸入型光耦。晶體管光耦內部框架

晶體管光耦典型應用電路

晶體管光耦典型封裝

晶體管光耦系列產品參數列表
| Type | INPUT TYPE | Vce | Viso | SSOP-4 | SOP-4 | LSOP-4 | DIP-4 DIP-4M SMD-4 | DIP-6 SMD-6 | DIP-8 SMD-8 | WDIP-8 WSMD-8 | SSOP-16 |
| 晶體管光耦 Photo transistor | AC | General (80V) | 3750V | QX3H4 | QX354 | QX3H44 | |||||
| 5000V | QX814 | ||||||||||
| DC | General (5V) | 5000V | QX8016 | ||||||||
| General (30~80v) | 3750V | QX3H7 QX8801 | QX357 QX358 QX8801 | QX3H74 | |||||||
| 5000V | QX8801 QX101x | QX8801 QX817 QX816 QX818 | QX4Nxx (25,35) | QX826 QX827 | QXN200 QXN201 QXN826 QXN827 | ||||||
| High Voltage (300~350V) | 5000V | QX451 | QX851 |

