







概述Description
群芯微QX3120 是一種輸出電流為2.5A 的柵極驅動光電耦合器,具有一個砷化鋁鎵(AlGaAs)的發光二極管,通過紅外光耦合到光敏集成電路。這種光電耦合器可驅動大多數的小功率IGBTs 和MOSFETs。在電機控制逆變器以及高性能電力系統應用中,非常適用于快速切換驅動功率IGBTs 和MOSFETs。
The QX3120 is a gate driven optocoupler with an output current of 2.5 A, with an AlGaAs LED, which is coupled to a photosensitive integrated circuit through infrared light. This optocoupler can drive most low-power IGBTs and MOSFETs. In the motor control inverter and high-performance power system applications, it is very suitable for fast switching drive power IGBTs and MOSFETs.
特性Features
(1)35kV/us 最小共模抑制
35kV / us minimum Common Mode Rejection
(2)2.5A 最大峰值輸出電流
2.5A maximum peak output current
(3)2.0A 最小峰值輸出電流
2.0A minimum peak output current
(4) 寬工作電壓范圍: 15V 至30V
Wide operating VCC Range: 15V~30V
(5)最大傳播延遲時間為400ns
400ns maximum propagation delay
(6)100ns 的脈寬失真
100ns of pulse width distortion
(7)遲滯后的欠壓閉鎖
Under Voltage Lock-Out protection (UVLO) with hysteresis
(8)工作溫度范圍:-40℃ to +110℃
Operating temperature range: -40℃~ +110℃
(9)符合加強絕緣標準
Meet reinforced insulation standards
應用Applications
(1)不間斷電源
Uninterrupted Power Supply
(2)LGBT 隔離/功率MOSFET 柵極驅動
LGBT isolation / power MOSFET gate drive
(3)感應加熱
Induction heating
(4)工業逆變器
Industrial inverters
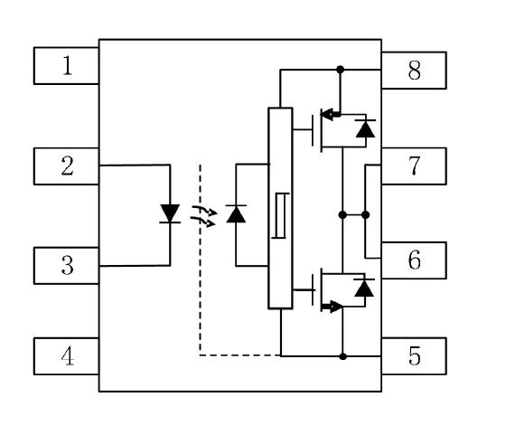
封裝和原理圖Package and Schematic Diagram


Pin Configuration
1. NC
2. Anode
3. Cathode
5. VSS
6. VO2
7. VO1
8. VDD
注意:在引腳5 和8 之間必須連接一個0.1uF 的旁路電容器。
Note: 0.1uF bypass capacitor must be connected between pins 5 and 8.

概述Description
群芯微QX3120 是一種輸出電流為2.5A 的柵極驅動光電耦合器,具有一個砷化鋁鎵(AlGaAs)的發光二極管,通過紅外光耦合到光敏集成電路。這種光電耦合器可驅動大多數的小功率IGBTs 和MOSFETs。在電機控制逆變器以及高性能電力系統應用中,非常適用于快速切換驅動功率IGBTs 和MOSFETs。
The QX3120 is a gate driven optocoupler with an output current of 2.5 A, with an AlGaAs LED, which is coupled to a photosensitive integrated circuit through infrared light. This optocoupler can drive most low-power IGBTs and MOSFETs. In the motor control inverter and high-performance power system applications, it is very suitable for fast switching drive power IGBTs and MOSFETs.
特性Features
(1)35kV/us 最小共模抑制
35kV / us minimum Common Mode Rejection
(2)2.5A 最大峰值輸出電流
2.5A maximum peak output current
(3)2.0A 最小峰值輸出電流
2.0A minimum peak output current
(4) 寬工作電壓范圍: 15V 至30V
Wide operating VCC Range: 15V~30V
(5)最大傳播延遲時間為400ns
400ns maximum propagation delay
(6)100ns 的脈寬失真
100ns of pulse width distortion
(7)遲滯后的欠壓閉鎖
Under Voltage Lock-Out protection (UVLO) with hysteresis
(8)工作溫度范圍:-40℃ to +110℃
Operating temperature range: -40℃~ +110℃
(9)符合加強絕緣標準
Meet reinforced insulation standards
應用Applications
(1)不間斷電源
Uninterrupted Power Supply
(2)LGBT 隔離/功率MOSFET 柵極驅動
LGBT isolation / power MOSFET gate drive
(3)感應加熱
Induction heating
(4)工業逆變器
Industrial inverters
封裝和原理圖Package and Schematic Diagram


Pin Configuration
1. NC
2. Anode
3. Cathode
5. VSS
6. VO2
7. VO1
8. VDD
注意:在引腳5 和8 之間必須連接一個0.1uF 的旁路電容器。
Note: 0.1uF bypass capacitor must be connected between pins 5 and 8.
